Volume 2, Issue 12

 

Formulation and Development of Two-Compartment HPMC Capsule for Concurrent Administration of Drugs

 

Author: Ashlesha P. Pandit 1*, Vijay B. Mathur 2

Abstract: The present study deals with the formulation of two-compartment capsule consisted of immediate release powder formulation of domperidone in the cap portion, polymer film fixed on the capsule body horizontally to create two compartments and omeprazole enteric pellets exhibiting a lag time, in the body portion. Domperidone and omeprazole, used in the treatment of gastro-esophageal reflux disease were selected as model drugs. Polymer film acted as dividing wall was made of HPMC and ethyl cellulose. It was assessed for uniformity of weight, thickness, folding endurance and tensile strength. Surface characteristic of film by scanning electron microscopy showed no cracks or pores. Evaluation tests of two-compartment capsule showed no transfer of drug in between two compartments through the polymer film. The results showed the capability of achieving two-compartment capsular system to handle varying release of solid-solid drugs in a single dosage form.

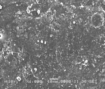
Fig : Scanning Electron Microscopy of polymer Film.

Fig : Scanning Electron Microscopy of polymer Film.

Download Full Article: Click Here

 

Support Us

If you are interested in supporting our work and would like to contribute, you are welcome to mail me at jpbr.anil@gmail.com or at info@thepharmajournal.com it will be a great help and will surely be appreciated.

Advertisement